Deze website maakt gebruik van cookies en daarmee vergelijkbare technieken om een optimale gebruikerservaring te bieden. Je kunt je voorkeuren aanpassen.

Deze cookies zorgen ervoor dat de website naar behoren werkt. Deze cookies kunnen niet uitgezet worden.
Deze cookies zorgen ervoor dat we het gebruik van de website kunnen meten en verbeteringen door kunnen voeren.
Deze cookies kunnen geplaatst worden door derde partijen, zoals YouTube of Vimeo.
Deze cookie stellen onze advertentiepartners in staat om doelgerichter informatie te kunnen aanbieden.

Door categorieën uit te zetten, kan het voorkomen dat gerelateerde functionaliteiten binnen de website niet langer correct werken. Het is altijd mogelijk om op een later moment de voorkeuren aan te passen.

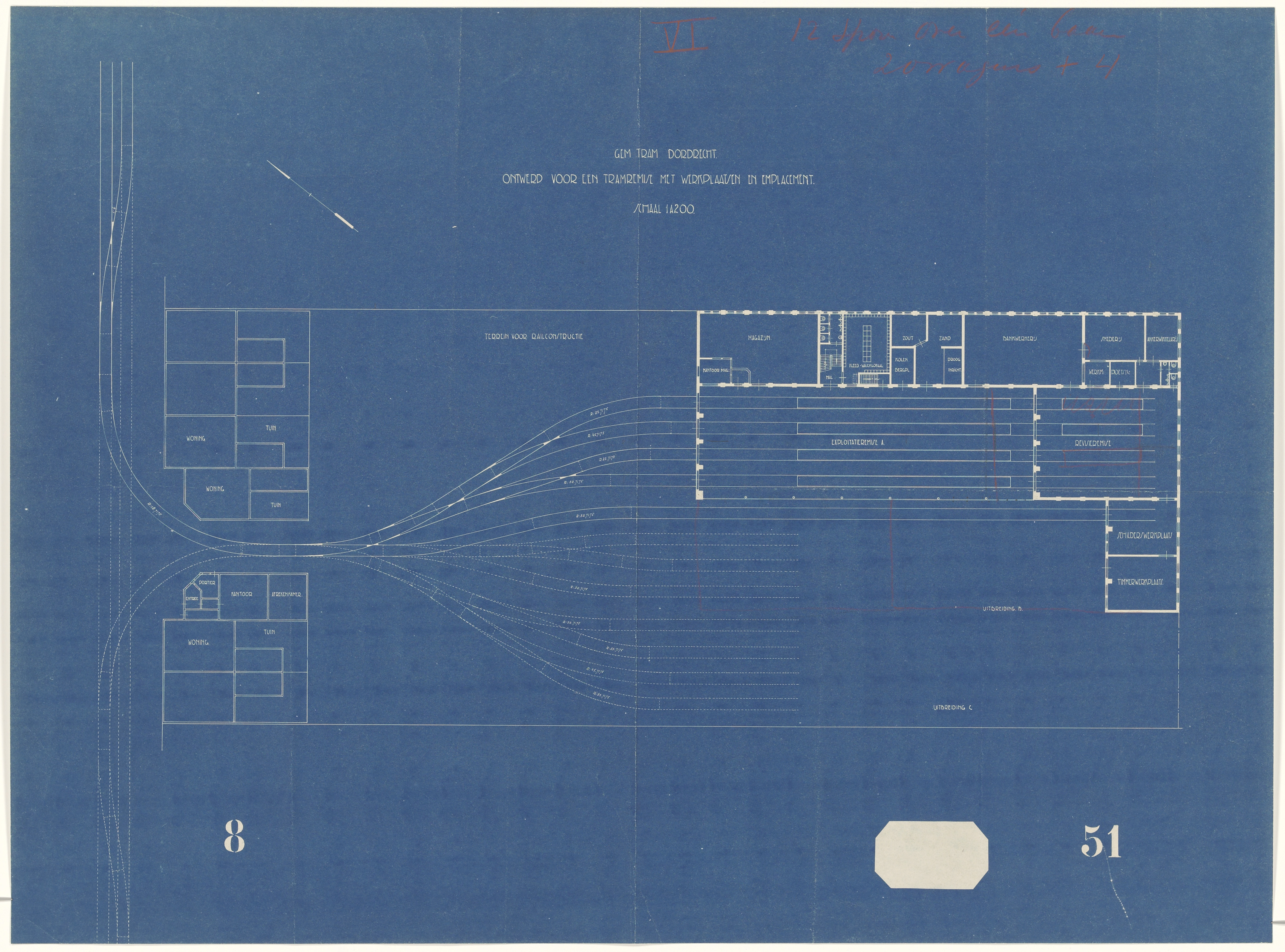
Plattegrond van een tramremise met werkplaatsen en emplacement op de plaats van de …

Afbeelding  552_160085

Collectie
Gemeentelijke Prentverzameling
Inventarisnummer
552_160085
Beschrijving
Plattegrond van een tramremise met werkplaatsen en emplacement op de plaats van de huidige Cronjéstraat.
Gebouw / instelling
GVB Gemeentelijk Vervoersbedrijf
Geografie
Dordrecht
Straat
Cronjéstraat
Datum of periode
01-01-1920  ‐  31-12-1930
Beeldtype
blauwdruk
Annotatie
Niet gerealiseerd.
Trefwoorden
remises trams werkplaatsen
toon op grote kaart
Goed om te weten: de plek kan afwijken van de werkelijke locatie (hij wordt automatisch gegenereerd).

Commentaar van bezoekers

Laat ons weten wie of wat er op deze foto staat.

Je beschrijving wordt direct op de site getoond.

captcha
Neem het woord (6 letters) uit het plaatje over in het invulveld. Onleesbaar? Klik op het plaatje.